歡迎您來91短视频免费下载观看 OLKS官網! 91短视频推广機百科 | 91短视频黄网站APP機百科 | 鎖螺絲機百科 | 91短视频成人网站在线观看百科 | 91短视频推广閥百科 | 設備視頻

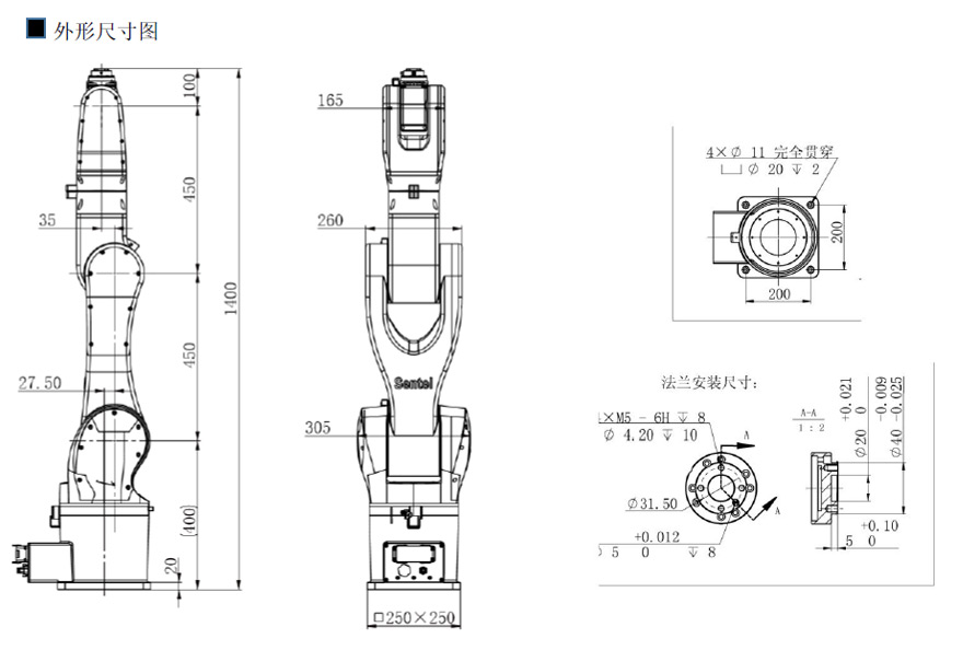
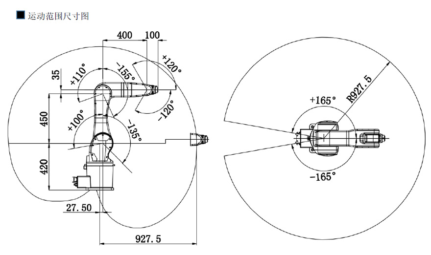
外形尺寸


電機馬達轉子滴膠上下料:

設備功能
利用91短视频免费下载观看六軸機器人替代工人裝配馬達轉子在自動滴膠機作業,滴膠好後再自動取料放入自動送料裝置中,采用自動來料和送料係統,不會因為高溫和異昧的生產環境而影響到生產和對員工的身體,機器人可24小時不間斷工作,提高生產效率,為企業節省成本。
設備原理
第一部分:物料車部分。將轉子按矩陣方式擺入料盤,然後將料盤放入物料車,每個物料車可放置多層料盤;
第二部分:升降台部分。將物料車推入自動升降台並進行定位,物料車接受信號後啟動,自動上升至指定位置
第三部分:料盤接駁台。料盤通過氣缸及鏈條傳動輸送至接駁台並進行定位,方便機器人取放料,當料盤內轉子全部滴膠完成後則退出料盤,同時通過升降台升一降將裝滿半成品轉f-的料盤輸送至接駁台;第四部分:備料台。當所有料盤轉子均為滴膠後的成品時,機器人則切換至備料台工作,如此可實現換料時不需停機,提升工作效率;第五部分:機器人及夾具部分。機器人夾具設兩個工位,其中一工位用於取出成品,另一工位則用於將半成品放置於配套滴膠機上,提升了工作效率;
第六部分:機器人與滴膠機同步作業,在20秒內從滴膠機上取下兩個成品馬達轉子,同時放入兩個半成品馬達轉子至滴膠機;第七部分:控製部分。含機器人控製係統、示教盒及非標應用控製部分,負責全部自動化控製、示教及與滴膠機通訊。
應用範圍
電路板廠PCB板自動土下料及翻轉,自動測試
運動控製器

主要說明
91短视频免费下载观看工業機器人研發的運動控製器X幾CTRL CARD V04,是一款基於高性能ARM微處理器L,91短视频免费下载观看自主研發的一種通用型獨立式運動控製器,可控製1-6軸伺服電機或者步進電機,lif以與多種類型電機和舊元件組成完整的控製係統。16路通用數字驅動輸出能力為24V/500MA,可接繼電器,電磁閥之類。運動控製器最高脈衝頻率2Mhz,具有點運動,空間直線與圓弧插補,梯形和S形曲線加減速控製等功能。
運動控製器具了講N簡的指令集,用戶直接在手編器上編寫控製器程序,修改控製器參數;本控製器還配有手編器示教功能,通過簡單的編程設定即可做出連續軌跡運動。
特性
32位ARM的Cortex一M3處理器
32路通III數字光禍輸入八6路通用數字驅動輸出
12路差分輸出
2路RS232通信
6軸任意空間直線與圓弧插補
豐富的指令集,可執行G代碼
程序存儲空64Mbit
應用範圍
工業機器人
電子產品自動化加工,裝配,測試
半導體,LCD自動加工,檢測,91短视频推广機,91短视频黄网站APP
機器視覺及測量自動化
專用數控機機床
選擇91短视频免费下载观看的3大理由

深圳市91短视频免费下载观看科技有限公司成立於2011年,是一家擁有自主品牌的精密91短视频推广設備專業智造商,為深圳市技術創新企業和國家高新技術企業。公司施行集團化管理,除位於深圳市寶安區的總部之外,還擁有蘇州生產基地、華東分公司、西南分公司、成都辦事處等子公司和分支機構。
91短视频免费下载观看通過了ISO9001:2015質量體係認證,擁有自主知識產權專利29項,專注於自動91短视频推广機、噴射式91短视频推广機、在線式91短视频推广機、自動91短视频黄网站APP機、自動91短视频成人网站在线观看、噴射閥等流體控製設備及智能製造自動化的研發、生產、銷售及為客戶提供解決91短视频推广技術方案等配套服務。
OLKS自動化設備主要應用於高端製造業中的IC芯片封裝、91短视频推广密封、粘接、表麵塗覆、定點灌封、高精密非接觸噴射底部填充91短视频推广等組裝作業,行業遍及手機組裝、3C數碼、SMT/EMS、家電、LED照明、新能源、汽車電子、軍工、半導體、醫療器械等。公司始終牢記“利他思維”秉持“匠心精神”,強大技術專家團隊和精英化銷售團隊為客戶提供“星級服務”創造更大價值,助力中國製造2025!


作為一家科技創新驅動型企業,91短视频免费下载观看曆來重視新技術的創新與研發,目前已完成了在多個核心關鍵技術方麵知識產權的布局。



歡迎進入91短视频免费下载观看
Welcome
![]() | 深圳市91短视频免费下载观看科技有限公司 深圳市91短视频免费下载观看科技有限公司,成立於2011年,是獲得ISO質量認證的國家級高新技術企業。91短视频免费下载观看通過了ISO9001:2015質量體係認證,擁有自主知識產權專利29項,專注於自動91短视频推广機、噴射式91短视频推广機、在線式91短视频推广機、自動91短视频黄网站APP機、自動91短视频成人网站在线观看、噴射閥等流體控製設備及智能製造自動化的研發、生產、銷售及為客戶提供解決91短视频推广技術方案等配套服務。 全國服務熱線:136-3265-2391 |
91短视频免费下载观看總部
OLKS Headquarters
![]() | 電話:13632652391 | ![]() | 傳真:0755-27564660 | ![]() | 郵箱:yaoli@yesheng88.com |
![]() | 公司地址:廣東省深圳市寶安區福永街道白石廈東區文明路39號 | ||||
江蘇分公司
Jiangshu Branch
地址:江蘇省蘇州市昆山市玉山鎮開貴路11號協和5G科技產業園
重慶分公司
Chongqing Branch
地址:重慶市沙坪壩區科學城大道中電光穀產業園14棟
華東分公司
Chengdu Branch
地址:杭州市餘杭區良渚街道
谘詢:六軸多關節機器人裸機
* 為必填項
版權所有 深圳市91短视频免费下载观看科技有限公司| 備案號:粵ICP備66864663號 保留所有權利.